Transceiver CW 20 m – Filtre à quartz – Crystal ladder filter
A la minute où je commence à rédiger cet article, je viens d’achever la réalisation de mon premier filtre à quartz. Un circuit simple, somme toute, composé de 4 quartz et de 5 condensateurs. Tout le travail réside dans la préparation et le choix d’une méthode que tout un chacun peut mener à bien.
Voici la méthode que j’ai suivie :
- Mesurer les paramètres des quartz, choisir une méthode de mesure,
- Trier les quartz et les sélectionner,
- Concevoir le filtre, choisir un outil de calcul,
- Simuler le comportement du filtre,
- Fabriquer le filtre,
- Tester le filtre.
Construire son filtre est non seulement un excellent sujet d’analyse et de recherche mais cela nous permet de choisir nos propres options :
- parfaite adaptation du filtre à notre cas, ici par exemple, pour une utilisation en CW avec une bande étroite de 500Hz,
- choix du nombre de pôles et de l’impédance,
- filtre avec une bande passante réglable.
Paramètres du quartz
Le circuit équivalent du quartz est représenté ci-dessous, figure 1.
Les paramètres sont les suivants :
- Fs : fréquence de résonance série, c’est le point où les réactances inductive et capacitive s’annulent,
- Rs : résistance équivalente série du quartz à la résonance Fs, représente la perte d’énergie dans le quartz,
- Lm : inductance dynamique du quartz en vibration ou masse vibrante,
- Cm : capacité dynamique du quartz en vibration ou élasticité,
- Co : capacité statique du quartz due au support, au boîtier, aux électrodes et fils de connexion,
- Q : perte totale d’énergie dans le quartz placé dans un circuit.
Mesure des paramètres du quartz – Choix d’une méthode de mesure
Le web fournit une documentation abondante et excellente sur le sujet. Je vous invite préalablement à la lire. J’en retiens l’excellente étude comparative et synthèse de Nick Kennedy, WA5BDU « Crystal characterization and crystal filter design An overview of tools and techniques Nick Kennedy, WA5BDU Joplin, MO April 26, 2008 » et la méthode de David Gordon-Smith, G3UUR, popularisée par Wes Hayward, W7ZOI, décrite dans le document du Dr Andrew Smith, G4OEP « Deriving G3UUR’s Equation for Motional Capacitance of a Crystal » et le document de Jack R. Smith K8ZOA « Crystal Motional Parameters A Comparison of Measurement Approaches Jack R. Smith K8ZOA 11 June 2006 » . C’est cette dernière méthode que j’ai appliquée pour la réalisation de mon filtre et le document de Jack R. Smith K8ZOA. Le principe de la méthode reste simple. Le quartz est inséré dans un oscillateur Colpitts en série avec un condensateur de 30pF. On relève la fréquence de sortie. Puis on shunte le condensateur et on relève la nouvelle fréquence. L’application des formules simplificatrices permet de trouver les valeurs de Cm et Lm avec une bonne précision.
Les formules à appliquer :
(1) 
(2) 
(3) 
Cs = condensateur placé en série avec le quartz
F = fréquence avec Cs
Fs = fréquence sans Cs (Cs shunté)
Δf = F – Fs
Circuit de mesure
J’ai construit l’oscillateur décrit à la page 15 du document de WA5BDU et à la page 4 du document de K8ZOA, extrait et photos 1 et 2 ci-dessous. Pour la mesure, le quartz est fixé solidement sur les 2 bornes à visser rouge et noire. Pour la mesure nécessitant le shunt du condensateur de 30pF en série avec le quartz, un gros fil est ajouté et fixé solidement sur les 2 bornes à visser noires (évitez l’interrupteur). Le circuit est alimenté par une alimentation de 13,8V. La sortie est connectée au fréquencemètre. Le circuit imprimé est soudé sur une carte mère en époxy portant les connecteurs, elle-même vissée sur 2 cornières en aluminium coupées à dimension, donnant à l’ensemble une grande rigidité.
Quartz
J’ai acheté sur Ebay un lot de 50 quartz HC-49/U-S de 10,240MHz. Il est conseillé que les quartz soient du même fabricant et du même lot mais cela est impossible à vérifier. J’ai numéroté au feutre chaque quartz de 1 à 50.
Nota: il semble que le facteur Q des quartz HC-49/U soit plus élevé que celui des quartz HC-49/U-S. Il est donc conseillé d’utiliser le modèle HC-49/U. Néanmoins, n’ayant que le modèle HC-49/U-S sous la main je vais l’utiliser pour construire mon filtre.
Mesure – Feuille de calcul
Chaque quartz est passé sur l’oscillateur. Les 2 fréquences relevées sont notées sur une feuille de calcul créée à l’aide du tableur OpenOffice. Je ne peux mesurer la valeur exacte de la capacité statique Co, mon capacimètre ne peut mesurer les valeurs < 10pF. Mais il me montre, néanmoins, que Co < 10pF. La datasheet de ce genre de quartz donne en général pour Co une valeur maximale de 7pF. J’ai pris une valeur moyenne de 3,5pF.
Description des colonnes :
- Colonne A : Num = numéro du quartz,
- Colonne B : F0 = fréquence avec shunt du condensateur série,
- Colonne C : F30 = fréquence avec condensateur série,
- Colonne D : DeltaF = écart de fréquence F30 – F0,
- Colonne E : C0 = capacité statique,
- Colonne F : Cm = 2*(C0+Cs)*DeltaF/F0,
- Colonne G : Lm = 1/(((2*PI()*F0)^2)*Cm),
- Colonne H : Fnominal = fréquence nominale du quartz = 10,240000MHz,
- Colonne I : Cs = capacité montée en série avec le quartz pour la mesure F30 = 30pF.
Tri du tableau – Sélection des quartz
J’ai ensuite trié le tableau dans l’ordre croissant de F0 et F30 pour examiner les groupes de quartz de fréquences identiques ou proches. La règle est que la fréquence des quartz doit se trouver dans un intervalle de 10% de la bande passante. Soit 50Hz pour une bande passante de 500Hz. Pour fabriquer mon filtre à 4 quartz, j’ai extrait les quartz numéro 8, 6, 36, 33. Voir figure 2 ci-dessous, l’extrait du tableau.
Télécharger le tableau de calcul.
Conception du filtre – Choix d’un outil de calcul
La conception des filtres est devenue aisée avec les outils de calcul développés pour nos ordinateurs personnels. Plusieurs outils gratuits sont disponibles, à ma connaissance : AADE Filter Design, Ladpac + GPLA, DISHAL de DJ6EV. Il existe aussi des calculateurs sur le web comme Crystal ladder filters de Giangrandi. Après essais, j’ai retenu DISHAL.
DISHAL fournit un moyen simple et pratique de calcul des composants du filtre à quartz.
Caractéristiques :
- nombre de quartz (pôles) de 2 à 14,
- couvre les filtres Butterworth et Chebyshev (jusqu’à -3 dB d’ondulation en bande passante),
- calcul précis des valeurs du filtre de type Cohn,
- calcule une configuration Cohn avec une ondulation en bande passante très faible,
- tous les quartz du filtre sont supposés avoir les mêmes paramètres (Fsérie, Lm, Cm, Co),
- les quartz sont traités comme des résonateurs sans pertes.
Utilisation
Mon filtre doit avoir les caractéristiques suivantes :
- 4 quartz,
- type Chebyshev avec -0,3db d’ondulation en bande passante acceptée,
- bande passante 500Hz,
- Lm = 36,1mH (1),
- Cm = 6,70fF (1),
- Fsérie = 10238,016KHz (1).
Ces valeurs sont entrées dans la première ligne en haut de la fenêtre sous le menu, figure 3 ci-dessous. En cliquant sur le bouton Calculate on obtient :
- la courbe de réponse du filtre,
- l’impédance du filtre = 74,1Ω,
- la fréquence centrale du filtre = 10238,320KHz,
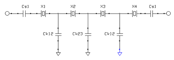
- les capacités Cs1=236,6pF, Ck23=236,6pF, Ck12=195,1pF du filtre figure 4, ci-dessous,
- la fréquence de résonance parallèle Fp=10247,802KHz,
- les bandes passantes à 6, 20, 40, 60, 80, 100dB qui renseignent sur la forme de la courbe.
Note (1) : DISHAL ne permet d’entrer que les paramètres d’un seul quartz de la série, j’ai donc choisi pour valeur de référence, le numéro 36 qui a la valeur médiane. Toutefois, si un quartz s’écarte un peu trop du quartz de référence, en cliquant dans le menu sur Xtal > Xtal Tuning, il est possible après calcul du filtre, de calculer le condensateur à placer en série avec le quartz.
Filtre Cohn
Ce type de filtre a pour principal avantage d’utiliser des condensateurs de valeurs identiques pour le couplage et la résonance. En cliquant dans le menu sur Cohn on affiche une fenêtre qui permet de calculer la valeur unique du condensateur Ck. Avec mes paramètres Ck = 216,5pF. Se reporter au document d’aide qui est très bien fait.
Simulation LTspice
Comme d’habitude, j’ai choisi de créer un modèle de composant associé à un SUBCIRCUIT muni de paramètres. Cette méthode présente plusieurs avantages:
- test du dispositif indépendamment du circuit dans lequel il sera monté,
- réutilisation dans d’autres circuits,
- duplication en modifiant les paramètres du SUBCIRCUIT.
Pour la méthode de création du composant et du SUBCIRCUIT on se reportera à l’article Transceiver CW 20 m – Mélangeur – Double Balanced Mixer.
Ci-dessous le fichier du SUBCIRCUIT. La ligne .SUBCKT comprend 6 paramètres :
- Cs = capacité en série du filtre,
- Ck12 Ck23 = capacité en parallèle du filtre,
- Cm = capacité dynamique du quartz en oscillation,
- Lm = inductance dynamique du quartz en oscillation,
- Co = capacité statique du quartz.
Il suffit de modifier ces valeurs pour obtenir un autre filtre.
* C:\Users\Bernard\Documents\TCW20\tcw20XTALFilter\ltc\XTALF4_10M24CH.asc
* TRANSCEIVER CW 20m F8EOZ - XTAL Ladder Filter 10,240MHz - V 02/10/2012 15:00
* XTALF4_10M24CH XTAL Ladder Filter SUBCIRCUIT
* CREATED ON 14/08/2012 AT 18:00
* CONNECTIONS: In
* | Out
* | |
.SUBCKT XTALF4_10M24CH 1 2 PARAMS: Cs=236.6p Ck12=195.1p Ck23=236.6p Cm=6.70f Lm=36.1m Co=3.5pf
*--------------------------
* Filter parameters:
* 4 pôles crystal ladder filter Chebyshev
* Cs-X1------X2------X3------X4-Cs
* | | |
* Ck12 Ck23 Ck12
* Cs = in and out serial capacitance
* Ck12 Ck23 = parallel capacitance
*--------------------------
* Crystal parameters:
* Cm = motional capacitance
* Lm = motional inductance
* Co = shunt capacitance
*--------------------------
C1 N001 P001 {Cm} Lser={Lm} Cpar={Co}
Cs1 P001 1 {Cs}
Ck1 N001 0 {Ck12}
Ck2 N002 0 {Ck23}
Cs2 2 P002 {Cs}
C2 N002 N001 {Cm} Lser={Lm} Cpar={Co}
C3 N003 N002 {Cm} Lser={Lm} Cpar={Co}
C4 P002 N003 {Cm} Lser={Lm} Cpar={Co}
Ck3 N003 0 {Ck12}
.ends
Noter que LTspice utilise le composant condensateur pour représenter le quartz. Les paramètres du quartz Lser, Cpar, Rser, sont traités comme des propriétés du condensateur.
Ce fichier XTALF4_10M24CH.lib est enregistré dans le répertoire …/LTSPICEIV/lib/sub .
L’analyse AC, figure 5, avec la directive .net I(R2) V2 permet de visualiser les paramètres S. La courbe de réponse est obtenue avec le paramètre S21. Il faut noter que la résistance en série qui existe dans le modèle équivalent du quartz, n’est pas utilisée ici. Elle introduira une atténuation.
Télécharger les fichiers de simulation.
Réalisation
Circuit imprimé
Le circuit est réalisé sur une plaque d’époxy cuivrée simple face de 4,4 x 2,1 cm, photo 3 ci-dessous. Pour tracer le circuit j’ai appliqué la même méthode que celle utilisée pour le mélangeur, simple et rapide. Après avoir nettoyé parfaitement la face cuivrée je l’ai entièrement enduite au gros feutre noir permanent. Ensuite muni d’un réglet et d’une pointe à tracer j’ai tracé directement sur la face ainsi enduite, le quadrillage qui est un peu particulier : 3 lignes de 7mm. La première ligne, ligne de masse pour le boîtier des quartz, n’est pas fractionnée. La 2ème ligne est fractionnée en 5 parties : 10mm, 3x8mm, 10mm. La 3ème ligne est fractionnée en 3 parties : 10mm, 24mm, 10mm. La pointe à tracer enlève l’encre. J’obtiens un tracé fin et parfait. Le circuit est plongé dans un petit récipient à peine plus grand que le circuit, contenant un dé à coudre d’eau tiède dans lequel sont dilués quelques grains de perchlorure. Le circuit est gravé en 15mn. Après l’avoir nettoyé parfaitement, le circuit est étamé immédiatement avec de la soudure et un fer très chaud pour empêcher l’oxydation du cuivre.
Composants
J’ai utilisé pour ce circuit des composants CMS ou SMD 0805 NP0 +- 10% 180pF et 220pF achetés sur Ebay que la finesse du tracé me permet de placer entre chaque îlot. Le circuit s’en trouve très allégé. L’étamage du cuivre permet de souder facilement ces petits composants. J’utilise pour les souder, un fer Weller WSP80 muni de la panne standard de 2mm. Le boîtier des quartz est soudé à la masse.
J’ai choisi de ne pas placer pour l’instant de trimmer en parallèle sur chaque condensateur. Je verrai après le test s’il faut corriger.
Test
Dispositif
Le circuit est relié directement à la sortie de l’amplificateur post-mélangeur.
Générateur HF maison fournissant 300mV à F = 14MHz connecté à l’entrée BNC (antenne).
Atténuateur en pi -10dB placé entre l’entrée BNC et l’entrée 50Ω du filtre RF.
Résistance de charge connectée en sortie du filtre = 75 ohms.
Fréquence de mesure F = 14,095MHz (fréquence dans la bande 20m).
Commutateur du VFO placé sur la bande 2.
Résultat
Le tracé de l’oscilloscope reste plat… Suspense… En tournant très lentement le potentiomètre du VFO, simple potentiomètre sans vernier démultiplicateur, une superbe sinusoïde bien dessinée apparaît enfin. La recherche de l’accord est très pointu.
Avec l’oscilloscope, échelle Y=10mV/cm, sonde atténuatrice x10, échelle X=0,5 us/cm loupe x5, la photo 4 ci-dessous, montre le signal obtenu en sortie, Vout ≈ 160mV rms et F ≈ 10MHz.
Références
Crystal characterization and crystal filter design – An overview of tools and techniques – Nick Kennedy, WA5BDU Joplin, MO April 26, 2008
Deriving G3UUR’s Equation for Motional Capacitance of a Crystal characterization and crystal
Crystal Motional Parameters A Comparison of Measurement Approaches Jack R. Smith K8ZOA 11 June 2006
Simplified Tools and Methods for Measuring Crystals By Jim Kortge, K8IQY
Crystal Ladder Filters for All by Horst Steder, DJ6EV and Jack A. Hardcastle, G3JIR
THE LADDER FILTER REVIVED by Lloyd Butler VK5BR
Index des articles de la catégorie Transceiver
- Transceiver CW 20 m
- Transceiver CW 20 m – Amplificateur audio
- Transceiver CW 20 m – Amplificateur audio V2
- Transceiver CW 20 m – Amplificateur de puissance RF power amplifier
- Transceiver CW 20 m – Amplificateur IF CASCODE
- Transceiver CW 20 m – Amplificateur post-mélangeur
- Transceiver CW 20 m – Atténuateur en pi
- Transceiver CW 20 m – BFO
- Transceiver CW 20 m – Commutation Rx/Tx Switching
- Transceiver CW 20 m – Détecteur de produit
- Transceiver CW 20 m – Emetteur
- Transceiver CW 20 m – Filtre à quartz – Crystal ladder filter
- Transceiver CW 20 m – Filtre de sortie du PA
- Transceiver CW 20 m – Mélangeur – Double Balanced Mixer
- Transceiver CW 20 m – Module RF Version 2
- Transceiver CW 20 m – Oscillateur à réseau déphaseur RC phase shift oscillator
- Transceiver CW 20 m – Oscillateur et Mélangeur de l’émetteur
- Transceiver CW 20 m – PA Driver
- Transceiver CW 20 m – Récepteur – Amplificateur RF
- Transceiver CW 20 m – Récepteur – Filtre passe bande 14 MHz
- Transceiver CW 20 m – VFO – Partie 1
- Transceiver CW 20 m – VFO – Partie 2
- Transceiver CW 20 m – VFO – Partie 3
- Transceiver CW 20 m – VFO – Partie 4
- Transceiver CW 20 m – VFO V3
- Transceiver CW 20 m – VFO Version 2 – Etalement de la bande










[...] Transceiver CW 20 m – Atténuateur en pi Transceiver CW 20 m – Amplificateur post-mélangeur Transceiver CW 20 m – Filtre à quartz – Crystal ladder filter Transceiver CW 20 m – BFO Transceiver CW 20 m – Amplificateur IF CASCODE Transceiver CW 20 m [...]
[...] la méthode G3UUR que j’ai décrite dans un article précédent. Chaque quartz est numéroté de 1 à 20, monté successivement sur l’oscillateur puis [...]